Отправить заявку в отдел продаж: info@gellion-trade.ru
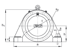
| d 1 | 125 mm | |
| a | 430 mm | |
| h 1 | 275 mm | |
| g 1 | 136 mm | |
| | ||
| 45 ° | Фазовый угол | |
| b | 130 mm | |
| c | 40 mm | |
| D | 210 mm | |
| d c | 133 mm | |
| g | 70 mm | |
| g 4 | 61 mm | |
| h | 140 mm | |
| m | 360 mm | |
| n | 70 mm | |
| s | M24 | |
| s 2 | M10 | |
| s 2 | 8 | Количество |
| t | 240 mm | |
| u | 30 mm | |
| v | 35 mm | |
| | ||
| 23028K | Условное обозначение, подшипник | |
| H3028 | Условное обозначение, закрепительная втулка | |
| m 1 | 35 kg | Вес, корпус |
| BND3028 | Условное обозначение, корпус |
На сайте представлен неполный перечень продукции, которую мы можем предложить!























