Отправить заявку в отдел продаж: info@gellion-trade.ru
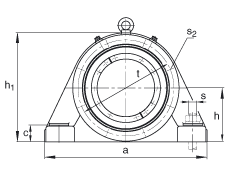
| d 1 | 115 mm | |
| a | 410 mm | |
| h 1 | 260 mm | |
| g 2 | 156 mm | |
| | ||
| 45 ° | Фазовый угол | |
| b | 120 mm | |
| c | 38 mm | |
| D | 200 mm | |
| d c | 123 mm | |
| g | 70 mm | |
| g 3 | 68 mm | |
| h | 130 mm | |
| k | 2 mm | |
| m | 340 mm | |
| n | 60 mm | |
| s | M20 | |
| s 2 | M10 | |
| s 2 | 8 | Количество |
| t | 225 mm | |
| u | 25 mm | |
| v | 35 mm | |
| | ||
| 23026K | Условное обозначение, подшипник | |
| H3026 | Условное обозначение, закрепительная втулка | |
| m 1 | 30 kg | Вес, корпус |
| BND3026 | Условное обозначение, корпус |
На сайте представлен неполный перечень продукции, которую мы можем предложить!























