Бесплатно по России:
+7 (495) 128-15-25
info@gellion-trade.ru
Отправить заявку в отдел продаж: info@gellion-trade.ru

Стационарные корпуса BND2234-H-C-Y-AL-S

Распечатать страницу
Цена оригинала по запросу
Оригинал

«Геллион» — официальный дистрибьютор и поставщик подшипниковой продукции NTN-SNR в России.

Поставка продукции осуществляется со склада в Москве.
Наиболее часто запрашиваемые позиции имеются в резерве на складе.

В случае наличия запрашиваемых позиций, отгрузка осуществляется в день заказа. Наличие и сроки доставки можно уточнить по запросу.

Наличие на складе: По запросу
Запрашиваемое количество:
И/Или:
Цена аналога по запросу
от цены
оригинала:
-
%

Мы можем предложить как продукцию NTN-SNR, так и аналоги других производителей.

Наиболее популярные позиции есть в наличии. Уточнить стоимость аналогов и сроки поставки возможно по запросу.

Наличие на складе: По запросу
Запрашиваемое количество:
Характеристики
неразъемные, для подшипников с коническим отверстием и закрепительной втулкой, для вала с заплечиками, с лабиринтными уплотнениями, под консистентную смазку
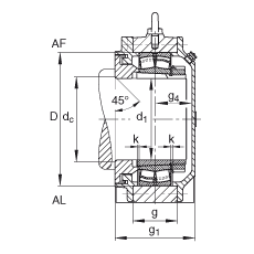
d 1 150 mm    
a 640 mm    
h 1 405 mm    
g 1 216 mm    

45 °   Фазовый угол
b 200 mm    
c 62 mm    
D 310 mm    
d c 166 mm    
g 111 mm    
g 4 88 mm    
h 200 mm    
k 3 mm    
m 525 mm    
n 110 mm    
s M30    
s 2 M16    
s 2  Количество
t 350 mm    
u 36 mm    
v 45 mm    

22234K   Условное обозначение, подшипник
H3134   Условное обозначение, закрепительная втулка
m 1 105 kg   Вес, корпус
BND2234   Условное обозначение, корпус

На сайте представлен неполный перечень продукции, которую мы можем предложить!

Купить подшипники производителя
Купить подшипники производителя
Купить подшипники производителя
Купить подшипники производителя
Купить подшипники производителя
Купить подшипники производителя
Купить подшипники производителя
Купить подшипники производителя
Купить подшипники производителя
Купить подшипники производителя
Купить подшипники производителя
Купить подшипники производителя
Купить подшипники производителя
Купить подшипники производителя
Купить подшипники производителя
Купить подшипники производителя
Купить подшипники производителя
Купить подшипники производителя
Купить подшипники производителя
Купить подшипники производителя
Купить подшипники производителя
Купить подшипники производителя
Купить подшипники производителя
Купить подшипники производителя