Отправить заявку в отдел продаж: info@gellion-trade.ru
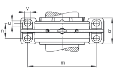
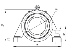
| d 1 | 140 mm | |
| a | 600 mm | |
| h 1 | 385 mm | |
| g 2 | 226 mm | |
| | ||
| 45 ° | Фазовый угол | |
| b | 180 mm | |
| c | 58 mm | |
| D | 290 mm | |
| d c | 152 mm | |
| g | 106 mm | |
| g 3 | 103 mm | |
| h | 190 mm | |
| k | 3 mm | |
| m | 490 mm | |
| n | 105 mm | |
| s | M30 | |
| s 2 | M16 | |
| s 2 | 6 | Количество |
| t | 330 mm | |
| u | 36 mm | |
| v | 45 mm | |
| | ||
| 22232K | Условное обозначение, подшипник | |
| H3132 | Условное обозначение, закрепительная втулка | |
| m 1 | 100 kg | Вес, корпус |
| BND2232 | Условное обозначение, корпус |
На сайте представлен неполный перечень продукции, которую мы можем предложить!























