Отправить заявку в отдел продаж: info@gellion-trade.ru
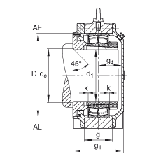
| d 1 | 100 mm | |
| a | 440 mm | |
| h 1 | 280 mm | |
| g 1 | 149,2 mm | |
| | ||
| 45 ° | Фазовый угол | |
| b | 130 mm | |
| c | 42 mm | |
| D | 200 mm | |
| d c | 108 mm | |
| g | 73 mm | |
| g 4 | 60 mm | |
| h | 140 mm | |
| k | 2,5 mm | |
| m | 350 mm | |
| n | 70 mm | |
| s | M24 | |
| s 2 | M12 | |
| s 2 | 6 | Количество |
| t | 230 mm | |
| u | 30 mm | |
| v | 35 mm | |
| | ||
| 22222K | Условное обозначение, подшипник | |
| H322 | Условное обозначение, закрепительная втулка | |
| m 1 | 50 kg | Вес, корпус |
| BND2222 | Условное обозначение, корпус |
На сайте представлен неполный перечень продукции, которую мы можем предложить!























