Бесплатно по России:
+7 (495) 128-15-25
info@gellion-trade.ru
Отправить заявку в отдел продаж: info@gellion-trade.ru

Стационарные корпуса BND2220-H-C-Y-AL-S

Распечатать страницу
Цена оригинала по запросу
Оригинал

«Геллион» — официальный дистрибьютор и поставщик подшипниковой продукции NTN-SNR в России.

Поставка продукции осуществляется со склада в Москве.
Наиболее часто запрашиваемые позиции имеются в резерве на складе.

В случае наличия запрашиваемых позиций, отгрузка осуществляется в день заказа. Наличие и сроки доставки можно уточнить по запросу.

Наличие на складе: По запросу
Запрашиваемое количество:
И/Или:
Цена аналога по запросу
от цены
оригинала:
-
%

Мы можем предложить как продукцию NTN-SNR, так и аналоги других производителей.

Наиболее популярные позиции есть в наличии. Уточнить стоимость аналогов и сроки поставки возможно по запросу.

Наличие на складе: По запросу
Запрашиваемое количество:
Характеристики
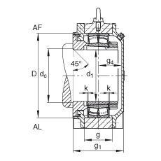
неразъемные, для подшипников с коническим отверстием и закрепительной втулкой, для вала с заплечиками, с лабиринтными уплотнениями, под консистентную смазку
d 1 90 mm    
a 400 mm    
h 1 255 mm    
g 1 141 mm    

45 °   Фазовый угол
b 120 mm    
c 40 mm    
D 180 mm    
d c 98 mm    
g 65 mm    
g 4 57 mm    
h 130 mm    
k 2,5 mm    
m 320 mm    
n 65 mm    
s M24    
s 2 M8    
s 2  Количество
t 205 mm    
u 30 mm    
v 35 mm    

22220K   Условное обозначение, подшипник
H320   Условное обозначение, закрепительная втулка
m 1 30 kg   Вес, корпус
BND2220   Условное обозначение, корпус

На сайте представлен неполный перечень продукции, которую мы можем предложить!

Купить подшипники производителя
Купить подшипники производителя
Купить подшипники производителя
Купить подшипники производителя
Купить подшипники производителя
Купить подшипники производителя
Купить подшипники производителя
Купить подшипники производителя
Купить подшипники производителя
Купить подшипники производителя
Купить подшипники производителя
Купить подшипники производителя
Купить подшипники производителя
Купить подшипники производителя
Купить подшипники производителя
Купить подшипники производителя
Купить подшипники производителя
Купить подшипники производителя
Купить подшипники производителя
Купить подшипники производителя
Купить подшипники производителя
Купить подшипники производителя
Купить подшипники производителя
Купить подшипники производителя