Отправить заявку в отдел продаж: info@gellion-trade.ru
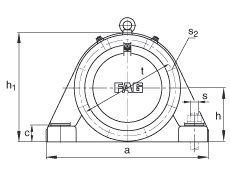
| d 1 | 160 mm | |
| a | 680 mm | |
| h 1 | 425 mm | |
| g 1 | 214 mm | |
| | ||
| 45 ° | Фазовый угол | |
| b | 210 mm | |
| c | 65 mm | |
| D | 320 mm | |
| d c | 176 mm | |
| g | 112 mm | |
| g 4 | 92 mm | |
| h | 210 mm | |
| m | 550 mm | |
| n | 120 mm | |
| s | M30 | |
| s 2 | M16 | |
| s 2 | 8 | Количество |
| t | 370 mm | |
| u | 36 mm | |
| v | 45 mm | |
| | ||
| 22236K | Условное обозначение, подшипник | |
| H3136 | Условное обозначение, закрепительная втулка | |
| m 1 | 130 kg | Вес, корпус |
| BND2236 | Условное обозначение, корпус |
На сайте представлен неполный перечень продукции, которую мы можем предложить!























