Отправить заявку в отдел продаж: info@gellion-trade.ru
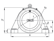
| d 1 | 135 mm | |
| a | 550 mm | |
| h 1 | 365 mm | |
| g 1 | 177 mm | |
| | ||
| 45 ° | Фазовый угол | |
| b | 170 mm | |
| c | 54 mm | |
| D | 270 mm | |
| d c | 147 mm | |
| g | 97 mm | |
| g 4 | 76 mm | |
| h | 180 mm | |
| k | 3 mm | |
| m | 450 mm | |
| n | 90 mm | |
| s | M30 | |
| s 2 | M16 | |
| s 2 | 6 | Количество |
| t | 305 mm | |
| u | 36 mm | |
| v | 45 mm | |
| | ||
| 22230K | Условное обозначение, подшипник | |
| H3130 | Условное обозначение, закрепительная втулка | |
| m 1 | 85 kg | Вес, корпус |
| BND2230 | Условное обозначение, корпус |
На сайте представлен неполный перечень продукции, которую мы можем предложить!























