Отправить заявку в отдел продаж: info@gellion-trade.ru
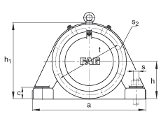
| d 1 | 110 mm | |
| a | 470 mm | |
| h 1 | 300 mm | |
| g 1 | 143 mm | |
| | ||
| 45 ° | Фазовый угол | |
| b | 140 mm | |
| c | 42 mm | |
| D | 215 mm | |
| d c | 118 mm | |
| g | 77 mm | |
| g 4 | 61 mm | |
| h | 150 mm | |
| m | 370 mm | |
| n | 75 mm | |
| s | M24 | |
| s 2 | M12 | |
| s 2 | 6 | Количество |
| t | 245 mm | |
| u | 30 mm | |
| v | 35 mm | |
| | ||
| 22224K | Условное обозначение, подшипник | |
| H3124 | Условное обозначение, закрепительная втулка | |
| m 1 | 58 kg | Вес, корпус |
| BND2224 | Условное обозначение, корпус |
На сайте представлен неполный перечень продукции, которую мы можем предложить!























