Отправить заявку в отдел продаж: info@gellion-trade.ru
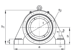
| d 1 | 60 mm | |
| a | 235 mm | |
| h 1 | 155 mm | |
| g 2 | 120 mm | |
| | ||
| 45 ° | Фазовый угол | |
| b | 70 mm | |
| c | 22 mm | |
| D | 120 mm | |
| d c | 66 mm | |
| g | 44 mm | |
| g 3 | 55 mm | |
| h | 80 mm | |
| m | 185 mm | |
| n | 40 mm | |
| s | M10 | |
| s 2 | M6 | |
| s 2 | 6 | Количество |
| t | 135 mm | |
| u | 15 mm | |
| v | 20 mm | |
| | ||
| 22213K | Условное обозначение, подшипник | |
| H313 | Условное обозначение, закрепительная втулка | |
| m 1 | 23 kg | Вес, корпус |
| BND2213 | Условное обозначение, корпус |
На сайте представлен неполный перечень продукции, которую мы можем предложить!























