Отправить заявку в отдел продаж: info@gellion-trade.ru
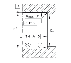
| d | 55 mm | |
| D | 115 mm | |
| H 2 | 103 mm | |
| | ||
| B | 17,5 mm | |
| B 1 | 38,5 mm | |
| B 2 | 14 mm | |
| C | 25 mm | |
| D 1 | 100 mm | |
| D 2 | 80 mm | |
| D 3 | 98 mm | |
| D a max | 101 mm | Присоединительные размерыПри использовании радиальных уплотнений вала следует учитывать наружный диаметр уплотнения. |
| d a min | 78 mm | Присоединительные размерыПри использовании радиальных уплотнений вала следует учитывать наружный диаметр уплотнения. |
| H 3 | 74,5 mm | |
| r 1 min | 0,6 mm | |
| r min | 0,3 mm | |
| | ||
| m | 4 kg | Вес |
| C a | 177000 N | динамическая грузоподъемность, осевая |
| C 0a | 500000 N | статическая грузоподъемность, осевая |
| C r | 44000 N | динамическая грузоподъемность, радиальная |
| C 0r | 98000 N | статическая грузоподъемность, радиальная |
| n G Öl | 2900 1/min | Предельная частота вращения при смазывании маслом (действительна только при достаточном охлаждении масла) |
| n G Fett | 1000 1/min | Предельная частота вращения при консистентной смазке |
| M RL | 4 Nm | Момент трения подшипника |
| c aL | 4900 N/µm | осевая жесткость |
| c kL | 3600 Nm/mrad | Жесткость к опрокидыванию |
| M m | 43 kg x cm^2 | Момент инерции масс вращающегося внутреннего кольца |
| 1 µm | Торцовое биениеДанные о торцовом биении для подшипников опор ходовых винтов относятся к вращающемуся внутреннему кольцу. | |
| ZMA55/98 | Условное обозначение рекомендуемых шлицевых гаек INA | |
| AM55 | Условное обозначение рекомендуемых шлицевых гаек INA | |
| M A | 220 Nm | Момент затяжкиДействительно только в сочетании с прецизионными шлицевыми гайками INA |
| 40772 N | усилие предварительного осевого натяга | |
| DR | 80X100X10 | радиальное уплотнение вала DIN 3760Заказывать отдельно. |
| Шлицевые гайки и радиальное уплотнение вала в комплект поставки не входят. |
| Суффикс | Описание |
| L | С широким ступенчатым тугим кольцом |
| TV | С сепараторами из армированного стекловолокном полиамида 66 |
На сайте представлен неполный перечень продукции, которую мы можем предложить!























