Отправить заявку в отдел продаж: info@gellion-trade.ru
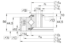
| d i | 1024 mm | длины центрирующих поверхностей (см. эскиз с размерами)Допуск: H7 |
| D a | 1164 mm | длины центрирующих поверхностей (см. эскиз с размерами)Допуск: h7 |
| | ||
| D i | 1095 mm | Допуск: +0,7 |
| d a | 1093 mm | Допуск: -0,7 |
| H | 56 mm | |
| L a | 1140 mm | |
| L i | 1048 mm | |
| n a | 48 | количество крепежных отверстий на наружном кольце |
| n i | 48 | количество крепежных отверстий на внутреннем кольце |
| | ||
| m | 77 kg | Вес |
| F r per | 198200 N | макс. допустимая радиальная нагрузка относительно фрикционного замыкания |
| C a | 390000 N | динамическая грузоподъемность, осевая |
| C 0a | 1360000 N | статическая грузоподъемность, осевая |
| C r | 246000 N | динамическая грузоподъемность, радиальная |
| C 0r | 670000 N | статическая грузоподъемность, радиальная |
| 0,01 - 0,05 | зазор подшипника: предварительный натяг | |
| точность вращения (соответственно, для дорожки качения):A: 0,07B: 0,07C: 0,11D: 0,11 | ||
| 4 конические пресс-масленки, DIN 71412-A M8x1, равномерно распределены по периметру и утоплены |
На сайте представлен неполный перечень продукции, которую мы можем предложить!























