Отправить заявку в отдел продаж: info@gellion-trade.ru
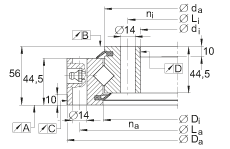
| d i | 574 mm | длины центрирующих поверхностей (см. эскиз с размерами)Допуск: H7 |
| D a | 714 mm | длины центрирующих поверхностей (см. эскиз с размерами)Допуск: h7 |
| | ||
| D i | 645 mm | Допуск: +0,6 |
| d a | 643 mm | Допуск: -0,6 |
| H | 56 mm | |
| L a | 690 mm | |
| L i | 598 mm | |
| n a | 36 | количество крепежных отверстий на наружном кольце |
| n i | 36 | количество крепежных отверстий на внутреннем кольце |
| | ||
| m | 44 kg | Вес |
| F r per | 148700 N | макс. допустимая радиальная нагрузка относительно фрикционного замыкания |
| C a | 290000 N | динамическая грузоподъемность, осевая |
| C 0a | 800000 N | статическая грузоподъемность, осевая |
| C r | 185000 N | динамическая грузоподъемность, радиальная |
| C 0r | 395000 N | статическая грузоподъемность, радиальная |
| 0,01 - 0,04 | зазор подшипника: предварительный натяг | |
| точность вращения (соответственно, для дорожки качения):A: 0,05B: 0,05C: 0,08D: 0,07 | ||
| 4 конические пресс-масленки, DIN 71412-A M8x1, равномерно распределены по периметру и утоплены |
На сайте представлен неполный перечень продукции, которую мы можем предложить!























