Отправить заявку в отдел продаж: info@gellion-trade.ru
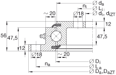
| d i | 734 mm | Допуск: +0,6 |
| D a | 948 mm | Допуск: -0,6 |
| | ||
| D a ZT | 946 mm | действительно для подшипников с центрированием (дополнительное обозначение ZT)длины центрирующих поверхностей (см. эскиз с размерами)Допуск: -IT8 |
| D i | 845,5 mm | Допуск: +0,6 |
| d a | 842,5 mm | Допуск: -0,6 |
| d i ZT | 736 mm | действительно для подшипников с центрированием (дополнительное обозначение ZT)длины центрирующих поверхностей (T, t) (см. эскиз с размерами)Допуск: +IT8 |
| H | 56 mm | |
| L a | 920 mm | |
| L i | 762 mm | |
| n a | 14 | количество крепежных отверстий на наружном кольце |
| n i | 18 | количество крепежных отверстий на внутреннем кольце |
| | ||
| m | 48 kg | Вес |
| F r per | 109200 N | макс. допустимая радиальная нагрузка относительно фрикционного замыкания |
| C a | 222000 N | динамическая грузоподъемность, осевая |
| C 0a | 600000 N | статическая грузоподъемность, осевая |
| C r | 145000 N | динамическая грузоподъемность, радиальная |
| C 0r | 224000 N | статическая грузоподъемность, радиальная |
| 4 конические пресс-масленки, DIN 71412-A S8x1, приблизительно равномерно распределены по периметру | ||
| Поставляются также подшипники без отверстий в кольцах. |
На сайте представлен неполный перечень продукции, которую мы можем предложить!























