Отправить заявку в отдел продаж: info@gellion-trade.ru
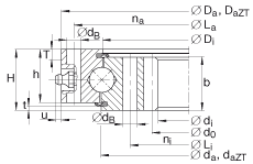
| d i | 216 mm | |
| D a | 340 mm | |
| | ||
| b | 34 mm | |
| D a ZT | 338 mm | действительно для подшипников с центрированием (дополнительное обозначение ZT)длины центрирующих поверхностей (T, t) (см. эскиз с размерами)Допуск: -IT8 |
| D i | 287 mm | |
| d 0 | 224 mm | |
| d a | 289 mm | |
| d a ZT | 287 mm | действительно для подшипников с центрированием (дополнительное обозначение ZT)длины центрирующих поверхностей (T, t) (см. эскиз с размерами)Допуск: +IT8 |
| d B | 9 mm | |
| H | 39 mm | |
| h | 34 mm | |
| L a | 324 mm | |
| L i | 252 mm | |
| m | 4 mm | модуль зубчатого зацепления |
| n a | 20 | количество крепежных отверстий на наружном кольце |
| n i | 20 | количество крепежных отверстий на внутреннем кольце |
| T | 6 mm | |
| t | 2,5 mm | |
| u | 9,5 mm | |
| z | 56 | количество зубцов |
| | ||
| m | 12 kg | Вес |
| F r per | 35000 N | макс. допустимая радиальная нагрузка относительно фрикционного замыкания |
| F z norm | 12300 N | макс. допустимое усилие зубчатого зацепления (усталостная прочность основания зубца) |
| F z max | 17800 N | макс. допустимое усилие зубчатого зацепления до разрушения основания зубца |
| C a | 165000 N | динамическая грузоподъемность, осевая |
| C 0a | 420000 N | статическая грузоподъемность, осевая |
| C r | 108000 N | динамическая грузоподъемность, радиальная |
| C 0r | 190000 N | статическая грузоподъемность, радиальная |
| 0,04 - 0,16 | радиальный зазор | |
| 0,07 - 0,26 | осевой зазор по опрокидывающему моменту | |
| 2 конические пресс-масленки, DIN 71412-A M10x1, равномерно распределены по периметру, полупотайные | ||
| контактные уплотнения с обеих сторон |
На сайте представлен неполный перечень продукции, которую мы можем предложить!























